产品中心
您当前的位置 : 首 页 > 产品中心 > CF4-82系列低噪声厨房专用离心通风机

联系我们

江苏九游会j9官方网站机电有限公司

电话:0515-88480808  

电话:0515-88206788

手机:18361110888  

传真:0515-88480788  

传真:0515-88600099

Q Q:18961972136

邮箱:hengkangjidian@126.com

网址:www.wqfj.com

地址:江苏省盐城市盐都区郭猛镇节能环保创业园双新路9号

低噪声厨房专用离心通风机

产品属性

  • 所属分类:CF4-82系列低噪声厨房专用离心通风机
  • 产品编号:1595380892
  • 浏览次数:0
  • 发布日期:2023-06-16
  • 产品概述

低噪声厨房专用离心通风机


一、产品概述


该风机为A式传动,电机固定在机壳侧板,上,不需另作支架,结构紧凑,便于安装摆放而且整齐美观,出风口调整方便。它采用平板叶片,能有效地减少叶片上的油污;同时有利于清洗保养。比同机号4-72型风机噪声低。本机专为厨房排油烟而设计,也可用于一般通风换气。

低噪声厨房专用离心通风机


CF4-82系列低噪声厨房专用离心通风机选型参数表


低噪声厨房专用离心通风机


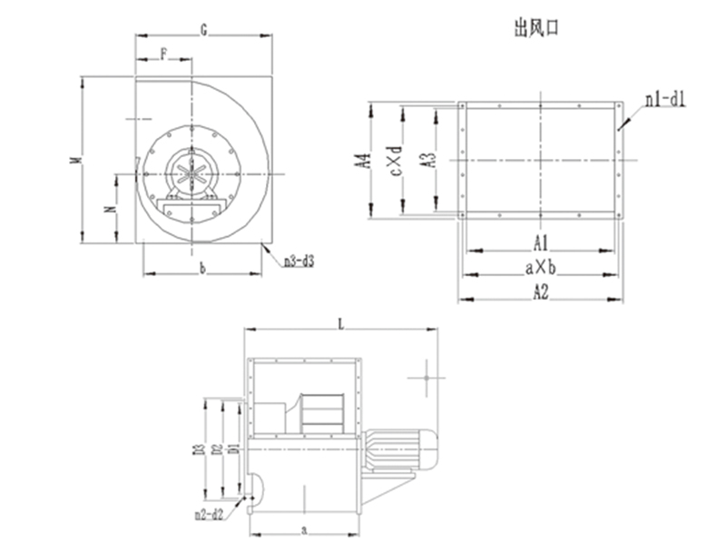
CF4-82系列低噪声厨房专用离心通风机外形尺寸表


低噪声厨房专用离心通风机


标签

本文网址:/product/754.html
上一篇:没有了

近期浏览: